Pramoninės spintos durų spynayra pagrindinis paskirstymo spintos, ryšių spintos, valdymo dėžutės ir kitos įrangos apsauginis komponentas, tiesiogiai susijęs su vidinių elektros komponentų sauga ir stabiliu sistemos veikimu.
Siekdama patenkinti įvairius pristatymo laiko ir specifikacijų reikalavimus skirtingiems projektams, mūsų įmonė sandėlyje visada turi penkių tipų dažniausiai naudojamų spynų --Ilgos juostos užraktas, Skydelio užraktas, Strypo valdymo užraktas, Rankenos užraktas,Sukamasis liežuvio užraktas. Tuo pačiu palaikome bet kokią nestandartinę spyną, pritaikytą pagal brėžinius ar pavyzdžius, kuri puikiai tinka visų rūšių metalinėms paskirstymo dėžėms.
Plokščias užraktas yra vienas iš labiausiai paplitusių pramoninių spintelių durų spynų tipų, gražių ir lengvai prižiūrimų. Mūsų įmonė pristatė AB301, AB302, AB303, AB402, AB403 serijos plokštuminį užraktą, kurio konstrukcijos stiprumas, apsauginės savybės ir veikimo pojūtis skiriasi, gali atitikti skirtingas paskirstymo dėžutės specifikacijas, valdymo spintos įrengimo reikalavimus.
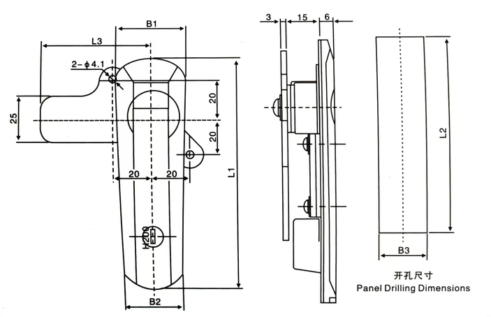
| Matmenys | Produkto numeris | |||||||
| L1 | L2 | L3 | B1 | B2 | Pilka chromo danga | Pilki purškiami dažai | Dengtas juodais milteliais | Svoris (g) |
| 147 | 117 | 72 | 33 | 26.5 | AB301-1-1.2 | AB301-1-1.8 | AB301 | 370 |
| 120.5 | 95.5 | 65 | 30 | 23.5 | AB301-2-1.2 | AB301-2-1.8 | AB302 | 290 |
| 87.5 | 62.5 | 65 | 28.5 | 23.5 | AB301-3-1.2 | AB301-3-1.8 | AB303 | 215 |
Pagrindinė medžiaga: cinko lydinys.
Paviršiaus apdorojimas: ryškus chromas, matinis, juodas.
Funkcija ir naudojimas: Atidarykite kairiąsias ir dešiniąsias duris, paprastas naudoti, sandarinimo ir vandeniui atsparios funkcijos.
Pagrindinė medžiaga: cinko lydinys.
Paviršiaus apdorojimas: ryškus chromas, matinis, juodas.
Funkcija ir naudojimas: Atidarykite kairiąsias ir dešiniąsias duris, paprastas naudoti, sandarinimo ir vandeniui atsparios funkcijos.
Medžiaga: cinko lydinio spynos korpusas, besisukantis velenas, cinkuoto plieno varžtas, slėgio plokštė.
Paviršiaus apdorojimas: sidabro pilkumo nano purškalas.
Konstrukcijos aprašymas: pasukite 90 laipsnių, kad atidarytumėte arba užrakintumėte.
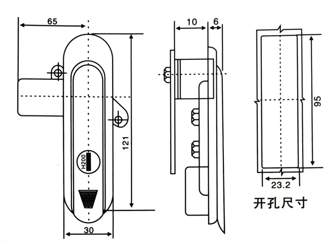
| MODELIS | L1 | L2 | L3 | B1 | B2 | B3 |
| NAUJAS AB402-A | 123 | 95.5 | 65 | 36.5 | 30 | 23.5 |
| NAUJA AB403-A | 91 | 62.5 | 65 | 33 | 28.5 | 23.5 |
| NAUJA AB401-A | 151 | 117 | 72 | 36 | 30 | 26.5 |
